一、概述
风速变送器有比较多种类,其中皮托管风速变送器是一款高稳定的测量仪器,适用于 10000pa 范围内的气体测量,基于伯努利方程皮托管原理,将压力转换为风速、风量输出,主机配上标准 S 型皮托管可以实现对管道高温烟气的流量和流速的测量。
二、功能特点
1. 不锈钢皮托管耐温(450℃), 标配变送器主机: LCD显示,零位现场可调,满度现场可调。
2. 稳定性好,满度、零位长期稳定性可达1%FS/年。主机在补偿温度0~70℃范围内,温度漂移低于1%FS,在整个允许工作温度范围内低于1%FS。
3. 具有反向保护、限流保护电路,在安装时正负极接反不会损坏变送器,异常时变送器会自动限流在35mA以内。
4. 固态结构,无可动部件,高可靠性,使用寿命长。
三、主要技术参数
|
测量范围: |
0~10M/S,0~20M/S,0~30M/S,0~40M/S,0~50M/S,0~150M/s 0~10000M3/H, 0~999999M3/H |
|
最大过载: |
标准量程的5倍 |
|
输出形式: |
风速、风量 |
|
精度等级: |
3%F·S |
|
工作压力范围: |
10000pa(特殊定制 100000pa) |
|
显示分辨率: |
0.01 |
|
电源电压: |
24VDC |
|
负载电阻: |
≤500Ω |
|
长期稳定性: |
±1% F·S/年 |
|
环境相对湿度: |
0~95% |
|
补偿温度: |
0~70℃ |
|
工作温度: |
-40~450℃(超过250℃需备注) |
|
防护等级: |
IP54 |
四、安装示意图
1. 皮托管前后留3~5 倍管径的直管段最佳。
2. 安装位置压力不超过20kpa。
注:不可使用反吹装置对风速仪进行反吹。
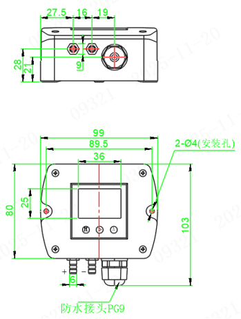
五、主机尺寸
1.标准款
2.高精密款
六、接线及通信说明
1. 开关量输出
2. 模拟量及RS485输出

3. 通信协议
3.1 通信接口
3.1.1 标准:RS485
3.1.2 工作方式:串行,异步,半双工
3.1.3 数据格式:起始位 1 位,数据位 8 位,停止位 1 位,无奇偶校验
3.1.4 通信速率:9600 bit/s
3.2 通信方式
3.2.1 通信协议:MODBUS-RTU
3.2.2 命 令 码: 03
3.2.3 通讯地址:可设置
3.2.4 寄存器地址:4X0100 ( 0x0063 )
3.2.5 风速数据格式:直接输出风速数据放大 100 倍后的 16 进制数
3.2.6 数据包格式:
读数据:
| 地址 | 命令 | 寄存器地址 | 数据长度(N) | CRC 低 | CRC 高 |
| 1Byte | 1Byte | 2Byte | N*2Byte | 1Byte | 1Byte |
返回数据:
| 地址 | 命令 | 数据长度(2N) | 数据(N) | CRC 低 | CRC 高 |
| 1Byte | 1Byte | 2N*1Byte | 2N*1Byte | 1Byte | 1Byte |
例如:读取当前风速值
发送:
| 地址 | 命令 | 寄存器地址 | 数据长度 | CRC |
| 01 | 03 | 00 63 | 00 01 | 74 14 |
返回:
|
地址 |
命令 |
数据长度 |
数据 |
CRC |
|
01 |
03 |
02 |
041A(风速值=10.5) |
3B 4F |
*风速值=0x041A/100=1050/100=10.5 m/s
3.2.7 错误检测
1. 命令码错误 错误代码:0x01
2. 寄存器地址错误 错误代码 0x02
3. 数据长度错误 错误代码:0x03
4. 数据校验错误 错误代码:0x04
发生数据错误时,返回
| 地址 | 命令+0x80 | 错误代码 | CRC 低 | CRC 高 |
3.3 地址设置 :
长按s键3秒,显示"00" ,按z键改为30 ,再长按s键进入修改通讯地址, 长按s键保存。
七、按键说明
M:选择与确认 >:移动光标 ∧:更改数据
菜单说明:
长按M键4秒,输入密码11,进入菜单
1: 模式-----1--显示风速
2--显示风量
3--风速、风量、风压同时显示
2:管道面积输入
3:系数:原始数据 1.000(用于调整当前值)例如:改为 1.100,时
当前数据放大 10%。
4:输出-----1-- 上限报警(选配)
2-- 下限报警(选配)
3-- 阻尼调节
4-- RS485通信地址
常用设置操作
1:没有风速的情况下,长按Z(右键)7秒,输出值清零。
2:按左键5秒进入2级菜单“00”,按左键移动光标,右键更改输入值。
2.1: 显示数字“20”,然后按左键5秒,进入输出值修正功能,默认
为1.000,长按左键回到主页面。
例如:改为1.100,当前数据放大10%
2.2: 显示数字“30”,改RS485通讯地址,长按左键回到主页面。
3: 开关量高低限设置方法:
3.1: 长按左键3秒,显示“00”,按右键改成“40”,
长按左键进入,修改低限报警值,改好后长按左键确认。
3.2: 长按左键3秒,显示“00”,按右键改成“50”,
长按左键进入,修改高限报警值,改好后长按左键确认。
注:在没有风的情况下,长按向上键,显示器数值清零。
八、皮托管选型

注:S型皮托管系数0.86~0.89
皮托管为定制产品:法兰尺寸 ,螺纹尺寸,探头长度均可以定制。

