| 几何公差的种类及其符号 | ||||
| 1 | 圆周均布孔 | ![]() |
EQS:均布, P.C.D.:中心节圆直径 角度标注:数字水平 通孔标注:“通或者贯穿” |
|
|
2 |
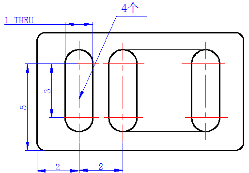
阵列均布孔 | ![]() |
阵列排布的孔,基准统一:个数x间距(=测量尺寸) | |
| 3 | 正方形或平面 | ![]() |
用细实线绘制,符号为正方形,可标注在单个边长的尺寸前面,也可引出标注在数字前面,如左图所示。 | |
| 4 | 腰形孔 | ![]() |
槽宽尺寸注释后,表明是通孔还是盲孔。 通孔:通或者贯穿 盲孔:深度符号+数值 多个相同结构数:指引线拉出注释,箭头指向结构中心部位 |
|
| 5 | 轴孔公差 | ![]() |
优先选用基孔制 优先选用公差配合:H7/h6、H8/h7、H7/g6 |
|
| 6 | 螺纹 | ![]() |
粗牙不标螺距; 细牙必须标螺距; 有公差要求的标注公差,如: M22x1.0-6g,M20x2-7H |
|
| 7 | 管螺纹 | ![]() |
螺纹代号 公称直径(in)(公差等级)螺纹代号: 非螺纹密封的圆柱内管螺纹G;非螺纹密封的圆柱外管螺纹G1;螺纹密封的圆柱内管螺纹Rp1,与之配合的圆锥外螺纹R1;螺纹密封圆锥内管螺纹 Rc1,与之配合的圆锥外管螺纹R2 |
|
| 8 | 对面螺纹 | ![]() |
虚线为示意用 | |
| 9 | 沉头腰形孔 | ![]() |
槽宽尺寸注释后,表明是通孔还是盲孔。 通孔:通或者贯穿 盲孔:深度符号+数值 |
|
| 10 | 圆弧腰形孔 | ![]() |
标注腰形孔中心圆半径和槽宽及定位角度和形状角度。 角度标注:数字水平 |
|
| 11 | 沉头孔标注 | ![]() |
数量的间隔符号用“×”表示 通孔标注“通或者贯穿” 沉头孔用“沉头符号↧”表示 沉头深度用“孔深符号 +数值”表示 |
|
| 12 | 锥形沉孔 | ![]() |
数量的间隔符号用“×”表示 沉头孔用“埋头孔符号V”表示 |
|
| 13 | 通孔 盲孔 |
![]() |
一般通孔的标注,必须标注“通或者贯穿” 一般盲孔的标注:标准孔,须使用孔深符号“↧”,非标准孔须在特征上标注“深度”+数值 |
|
| 14 | 定位销孔 | ![]() |
销钉孔需标示定位销符号 “ ” |
|
| 15 | 45°倒角 | ![]() |
倒角的个数 × C 倒角的边长 (箭头与倒角之间夹角近似90°) |
|
| 16 | 其他角度倒角 | ![]() |
分别标注倒角的一条边长和倒角的角度 | |
| 17 | 圆角 | ![]() |
圆角个数 × R半径 | |
| 18 | 边长度的倒角 | ![]() |
分别标注倒角的两条边长 | |
| 19 | 半圆头 (球型) |
![]() |
倒角的个数×SR 倒角的半径,需标注中心线 | |
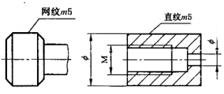
| 20 | 滚花 | ![]() |
网纹/直纹 | |
| 21 | 钣金件 | ![]() |
钣金零件的折弯角无特殊要求不可以进行标注,如特殊圆角,应该标内角,钣金展开图不需要在图面上画出。 | |
| 22 | 大半径标注 | ![]() |
/ | |
| 23 | 尺寸相近的孔 | ![]() |
在同一图形中,如有几种尺寸数值相近而又重复的要素(如孔等)时,可采用标记(如涂色等)或用标注字母的方法来区分。 | |
| 24 | 多个相同结构标注 | ![]() |
当机件具有若干相同结构(如齿、槽等)并按一定规律分布时,只需画出几个简单的结构,其余用细实线连接,须注明该结构的总数。 | |
| 25 | 弧长 | ![]() |
弧长符号“⌒”在尺寸数字左侧。 | |
| 26 | 退刀槽 越程槽 |
![]() |
“槽宽 x 直径”或“槽宽 x 槽深” | |
| 27 | V 型槽 | ![]() |
/ | |
| 28 | T 型槽 | ![]() |
/ | |
| 29 | 方槽 | ![]() |
①当以一个侧面为基准时,只需标槽宽、槽深以及定位尺寸; ②当槽的位置要求对称时,应以对称中心平面为基准注出对称尺寸。 |
|
| 30 | 半圆槽 | ![]() |
①若半径不等于槽宽之半,应注出半径尺寸; ②若半径等于槽宽之半,根据具体要求可不注半径尺寸,也可将其作为参考尺寸注出,或只注符号 R 而不注尺寸数字。 |
|
| 31 | 两个相连接的零件 | ![]() |
表示深度的尺寸要加 “( )” | |
| 32 | 厚度 | ![]() |
若不做侧视图,可厚度标注:t 厚度 | |
| 33 | 直径和半径标注 | ![]() |
当圆弧≤180°时,标注 R; 当圆弧>180°时,标注ф |
|
| 34 | 锥面 | ![]() |
外锥面注大端直径、锥度、长度;内锥面注小端直径、锥度、长度;锥度较大时,应注出大、小端直径及长度。其中,1:10 是指斜面高度与长度的比例。 | |
| 35 | 斜楔 | ![]() |
斜楔一般注出基准面的定位尺寸、高度和斜面的斜度。其中,1:50 是指斜面高度与长度之比。 | |
| 36 | 锪平孔 | ![]() |
锪平深度一般不注,锪去毛面为止,锪平符号 “ ” |
|
| 37 | 普通平键槽(轴) | ![]() |
键槽宽度公差等级为 N9 | |
| 38 | 普通平键槽(毂) | ![]() |
键槽宽度公差等级为 JS9 | |
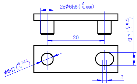
| 39 | 定位销孔配合 | ![]() |
采用圆孔+腰型孔形式;中心距不用给公差 | |
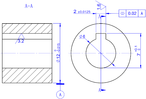
| 40 | 位置度标注 | ![]() |
有位置度要求的尺寸对应的定位尺寸需要标理论正确尺寸(TED),数字加“□” | |
| 41 | 圆锥销孔 | ![]() |
圆锥销孔所标注的尺寸时所配合的圆锥销的公称直径(小端直径),而不一定是锥销孔的小径或大径。 | |
| 42 | 尺寸界线倾斜标注 | ![]() |
当尺寸界线过于贴近轮廓线时,允许将其倾斜画出。 | |
| 43 | 中心孔 | ![]() |
“2×”表示两端各一个中心孔,GB/T 4459.5-B3.15/10 是指采用B 型中心孔, D=3.15mm ,D1=10mm;GB/T 4459.5-CM6L15/10.5 是指采用 C 型带螺纹的中心孔,D=M6,L=15mm,D1=10.5mm | |
| 44 | 球面 | ![]() |
对于轴、螺杆、铆钉以及手柄等的端部,在不致引起误解的情况下可省略符号“S”。 | |
| 45 | 轴两端倒角标注 | ![]() |
轴两端的倒角是分开加工,因此两端倒角要分开标注,不能标为“2×C1” | |
| 46 | 花键 | ![]() |
矩形花键的表示: 标记顺序为:N(键数)×d(小径)×D(大径)×B(键宽)。 | |
| 47 | 花键副 | ![]() |
字母代号为大写时为内花键,小写时为外花键 | |
请登录后评价!














”





















”











