| 几何公差的种类及其符号 | ||||||||
| 形状公差 | 直线度公差 | — | ![]() |
在表示公差带的数值前,如果有φ符号,则该公差带为直径t的圆柱中之区域。 | ![]() |
表示圆柱直径的尺寸中如果有公差的记录框时,该圆筒的轴线必须在直径0.08mm 的圆柱内。 | ||
| 平面度公差 | ![]() |
公差带是夹在间隔t的2个平行平面之间的区域。 | ![]() |
该表面必须在间隔0.08mm的2个平行平面之间。 | ||||
| 圆度公差 | ![]() |
![]() |
对象的平面内公差带为相隔t的2个同心圆之间的区域。 | ![]() |
任意的轴直角截面的外周,必须在同一平面上相隔0.1mm的2个同心圆之间。 | |||
| 圆柱度公差 | ![]() |
![]() |
公差带为相隔t的2个同轴圆柱面之间的区域。 | ![]() |
对象平面必须在相隔0.1mm的2个同轴圆柱面之间。 | |||
| 线的轮廓度公差 | ![]() |
公差带是指在理论上将中心放到正确的轮廓线上,以t作直径划圆时,两条包围线之间相夹的区域。 | ![]() |
在平行于投影面的任意截面上,对象轮廓线必须在理论上正确的轮廓线为中心上,直径为0.04mm的圆形成的2个包围线之间。 | ||||
| 面的轮廓度公差 | ![]() |
公差带是指在理论上将中心放到正确的轮廓线上,以t作直径划球时,两条包围线之间相夹的区域。 | ![]() |
对象面必须是指在理论上将中心放到正确的轮廓线上,作直径0.02mm的圆时,两条包围线之间相夹的区域。 | ||||
| 定向公差 | 平行度公差 | ![]() |
公差带是平行于基准平面,夹在相隔t的2个平行平面之间的区域。 | ![]() |
指示线箭头表示的面,应平行于已知平面A,且在指示线的方向上相隔0.01mm的2个平面之间。 | |||
| 垂直度公差 | ![]() |
![]() |
在表示公差带的数值前带有φ符号时,则该公差带则为垂直于基准平面的直径t的圆柱内的区域。 | ![]() |
指示线的箭头表示的圆柱的轴线应在垂直于基准平面A的、直径0.01mm的圆柱内。 | |||
| 倾斜度公差 | ![]() |
![]() |
公差带是相对基准平面倾斜一定角度,夹在相隔t的2个平面之间的区域。 | ![]() |
指示线箭头表示的面,必须在相对基准平面A,理论上正确的倾斜40°,并在指示线箭头方向上相隔0.08mm的2个平行面之间。 | |||
| 位置度公差 | ![]() |
![]() |
公差带是指以作为对象点的理论上正确位置(下面称为实际位置)为中心,直径为t的圆或球体的内部区域 | ![]() |
指示线箭头表示的点应在以距离基准直线A60mm及距离基准直线B100mm的实际位置为中心,并在直径0.03mm的圆内 | |||
| 同轴度/同心度公差 | ![]() |
![]() |
在表示公差带的数值前带有φ符号时,则该公差带是以基准轴为轴线的直径t的圆柱内的区域 | ![]() |
指示线的箭头所示的轴线必须在以基准轴直线A作轴线的、直径为0.01mm的圆柱内。 | |||
| 对称度 | ![]() |
公差带是与已知中心平面呈对称配置,彼此相距t的2个平面之间的区域。 | ![]() |
指示线箭头所示的中心面必须是位于与基准中心平面间隔0.08mm对称的2个平行平面之间。 | ||||
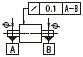
| 跳动公差 | 圆跳动公差 | ![]() |
![]() |
公差带是指中心在垂直于基准轴直线的任意测定平面上,并与基准轴直线一致的,半径方向上间隔 t 的2个同心圆之间的区域。 | ![]() |
指示线的箭头所表示的圆柱面半径方向的振荡,是在围绕基准轴直线A-B旋转一周后,在垂直于基准轴的任意测定平面上,不能超过0.1mm | ||
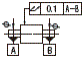
| 全跳动公差 | ![]() |
公差带指的是轴线和基准轴直线一致的,半径方向上间隔t的2个同轴圆柱之间的区域。 | ![]() |
指示线的箭头所表示的圆柱面半径方向的振荡,是在围绕基准轴直线A-B旋转一周后,在圆柱表面上的任意点上不能超过0.1mm。 | ||||
请登录后评价!




































